Zbudowanie własnej płytki Tesli, znanej również jako mini cewka Tesli typu Slayer Exciter, to fascynujący projekt dla każdego miłośnika elektroniki. Choć nazwa może brzmieć groźnie, jest to uproszczona, półprzewodnikowa wersja słynnego transformatora rezonansowego Nikoli Tesli, która jest stosunkowo prosta w budowie. Ten artykuł poprowadzi Cię krok po kroku przez cały proces, nawet jeśli Twoja wiedza o elektronice jest na poziomie podstawowym.
Zbuduj własną płytkę Tesli: Prosty przewodnik dla każdego elektronika-hobbysty
- Płytka Tesli to uproszczona, półprzewodnikowa wersja transformatora rezonansowego Nikoli Tesli, idealna do projektów DIY.
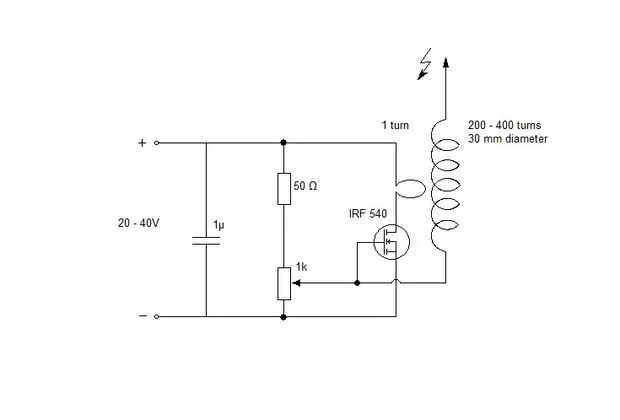
- Najpopularniejsze schematy wykorzystują jeden tranzystor MOSFET (np. IRFP250) lub bipolarny.
- Urządzenie zasilane jest bezpiecznym, niskim napięciem stałym w zakresie 9-24V.
- Kluczowe komponenty to tranzystor, rezystory, dioda, radiator oraz drut nawojowy na uzwojenia.
- Płytka generuje pole elektromagnetyczne, które może bezprzewodowo zapalać lampy fluorescencyjne.
- Niezwykle ważne jest przestrzeganie zasad bezpieczeństwa, w tym unikanie dotykania i odpowiednie chłodzenie tranzystora.
Płytka Tesli dla początkujących: Czy zbudujesz ją w jeden wieczór?
Mini cewka Tesli, często określana jako SSTC (Solid State Tesla Coil), to prawdziwy hit wśród projektów DIY w Polsce. Jej popularność wynika z kilku kluczowych czynników: prostoty konstrukcji, niskiego kosztu zakupu niezbędnych komponentów oraz spektakularnych efektów działania. To idealny projekt, aby zgłębić tajniki elektroniki wysokich częstotliwości i poczuć satysfakcję z samodzielnego stworzenia czegoś, co wydaje się niemal magiczne.
Zasada działania w pigułce: Jak powstaje "magia" bezprzewodowej energii?
Sercem płytki Tesli jest układ elektroniczny, który działa jak oscylator wysokiej częstotliwości. Wykorzystując tranzystor (kluczowy element wykonawczy) i dwa uzwojenia (pierwotne i wtórne), układ generuje szybko zmieniające się pole elektromagnetyczne. Uzwojenie wtórne, nawinięte z dużej liczby cienkich zwojów, działa jak transformator podwyższający napięcie. To właśnie to silne, wysokoczęstotliwościowe pole jest w stanie bezprzewodowo zasilić i zapalić lampę fluorescencyjną lub neonówkę, która znajduje się w jego pobliżu. To fascynujący pokaz bezprzewodowego transferu energii!
Bezpieczeństwo przede wszystkim: O czym musisz pamiętać, zanim zaczniesz?
- Nigdy nie dotykaj pracującej cewki! Mimo niskiego napięcia zasilania (zazwyczaj 9-24V), na uzwojeniu wtórnym pojawia się bardzo wysokie napięcie, które może być niebezpieczne.
- Chroń urządzenia elektroniczne. Silne pole elektromagnetyczne generowane przez płytkę Tesli może uszkodzić wrażliwe układy, takie jak telefony komórkowe, karty płatnicze czy dyski twarde. Trzymaj je z dala od działającego urządzenia.
- Zapewnij odpowiednie chłodzenie. Tranzystor mocy podczas pracy mocno się nagrzewa. Użycie odpowiednio dużego radiatora jest absolutnie kluczowe, aby zapobiec jego przegrzaniu i uszkodzeniu.
- Pracuj w dobrze wentylowanym miejscu.
- Używaj okularów ochronnych.

Niezbędnik konstruktora: Kompletna lista części i narzędzi
Sukces Twojego projektu w dużej mierze zależy od starannego doboru komponentów. Poniżej znajdziesz listę niezbędnych elementów, które pozwolą Ci zbudować własną płytkę Tesli.
Elektronika, serce Twojego projektu: Jaki tranzystor, rezystory i diody wybrać?
- Tranzystor mocy: Najpopularniejsze wybory to tranzystory MOSFET, takie jak IRFP250, IRFP260 lub IRFP460. Alternatywnie można użyć tranzystorów bipolarnych, np. 2N2222A (dla prostszych wersji) lub mocniejszych, jak BU508.
- Rezystory: Zazwyczaj potrzebne są dwa rezystory o wartościach około 22kΩ (dla bramki MOSFET lub bazy tranzystora bipolarnego) oraz 220Ω (jako rezystor ograniczający prąd dla diody LED i/lub jako element sprzężenia zwrotnego).
- Dioda LED: Dowolna standardowa dioda LED, która będzie sygnalizować pracę układu.
- Przełącznik: Mały przełącznik do włączania/wyłączania zasilania.
- Złącze zasilania: Gniazdo DC lub terminal śrubowy do podłączenia zasilacza.
- Napięcie zasilania: Układ jest zasilany bezpiecznym, niskim napięciem stałym (DC) w zakresie 9-24V.
Szkielet konstrukcji: Wybieramy rurkę PCV i druty nawojowe
Do budowy rdzenia dla uzwojeń potrzebna będzie rurka z tworzywa sztucznego, najczęściej PCV, o średnicy od 2 do 5 centymetrów. Długość rurki zależy od preferencji, ale zazwyczaj wynosi od 10 do 20 cm. Do nawijania uzwojeń będziesz potrzebować dwóch rodzajów drutu nawojowego: cienkiego (o średnicy 0.1-0.3 mm) do wykonania uzwojenia wtórnego oraz grubszego (o średnicy około 1 mm) na uzwojenie pierwotne.
Narzędzia, które ułatwią Ci pracę: Od lutownicy po klej na gorąco
- Lutownica z odpowiednią końcówką.
- Cyna i topnik.
- Miernik uniwersalny (multimetr) do sprawdzania połączeń i napięć.
- Kombinerki i obcinaczki do przewodów.
- Nożyk lub skalpel do przygotowania izolacji drutu.
- Klej na gorąco lub taśma izolacyjna do mocowania uzwojeń i elementów.
- Wiertarka (opcjonalnie, do wykonania otworów montażowych).
Budowa krok po kroku: Twój pierwszy działający Slayer Exciter
Teraz, gdy masz już wszystkie potrzebne komponenty i narzędzia, czas przejść do najciekawszej części budowy! Postępuj zgodnie z poniższymi krokami, a z pewnością stworzysz działającą płytkę Tesli.
Krok 1: Perfekcyjne uzwojenie wtórne jak nawinąć je bez błędów?
- Weź rurkę PCV i zabezpiecz jeden koniec taśmą izolacyjną lub klejem na gorąco, aby drut się nie zsuwał.
- Zacznij nawijać cienki drut nawojowy (0.1-0.3 mm) ciasno obok siebie, zaczynając od jednego końca rurki. Staraj się, aby każdy kolejny zwój przylegał do poprzedniego, bez przerw i nakładania się.
- Kontynuuj nawijanie, aż pokryjesz znaczną część długości rurki. Orientacyjna liczba zwojów to od kilkuset do ponad tysiąca, w zależności od średnicy rurki i grubości drutu. Im więcej zwojów, tym wyższe napięcie można uzyskać, ale też większe ryzyko uszkodzenia.
- Po nawinięciu zwojów, zabezpiecz koniec drutu taśmą izolacyjną lub klejem. Pozostaw około 10-15 cm drutu na końcu do późniejszych połączeń.
Krok 2: Uzwojenie pierwotne klucz do rezonansu
- U podstawy nawiniętego uzwojenia wtórnego (czyli tam, gdzie zaczynałeś nawijać cienki drut), nawinij uzwojenie pierwotne. Użyj grubszego drutu (ok. 1 mm).
- Nawinij tylko 2 do 5 zwojów, również ciasno obok siebie.
- Pozostaw po około 10-15 cm drutu na obu końcach uzwojenia pierwotnego do późniejszych połączeń.
- Możesz zabezpieczyć uzwojenie pierwotne taśmą izolacyjną lub klejem na gorąco.
Krok 3: Montaż elektroniki na płytce czytelny schemat i porady dotyczące lutowania
Teraz czas na połączenie wszystkich elementów elektronicznych. Najlepiej jest zamontować je na małej uniwersalnej płytce drukowanej lub bezpośrednio na radiatorze (jeśli jest wystarczająco duży). Postępuj zgodnie ze schematem połączeń, który zazwyczaj towarzyszy popularnym projektom Slayer Exciter. Pamiętaj o kilku zasadach:
- Staranne lutowanie: Upewnij się, że wszystkie połączenia są solidne i nie ma tzw. "zimnych lutów" (matowe, ziarniste połączenie).
- Poprawna orientacja elementów: Tranzystor, dioda LED i ewentualnie kondensatory muszą być wlutowane we właściwej pozycji.
- Izolacja: Zabezpiecz wszystkie punkty lutownicze taśmą izolacyjną, jeśli istnieje ryzyko zwarcia.
- Podłączenie uzwojeń: Dokładnie sprawdź, do których punktów na płytce lutujesz końce uzwojenia pierwotnego i wtórnego.
Krok 4: Chłodzenie jest kluczowe! Jak prawidłowo zamontować radiator?
Tranzystor mocy, zwłaszcza podczas intensywnej pracy, generuje sporo ciepła. Aby zapobiec jego przegrzaniu i trwałemu uszkodzeniu, niezbędne jest zastosowanie radiatora. Zamontuj radiator na tranzystorze, upewniając się, że jest on dobrze przymocowany. W przypadku mocniejszych tranzystorów, warto użyć pasty termoprzewodzącej pomiędzy obudową tranzystora a radiatorem, aby zapewnić maksymalne odprowadzanie ciepła. Upewnij się, że radiator ma wystarczającą powierzchnię, aby skutecznie chłodzić tranzystor przy przewidywanym napięciu zasilania.
Krok 5: Ostateczne połączenia i przygotowanie do pierwszego uruchomienia
Przed podłączeniem zasilania, dokładnie sprawdź wszystkie połączenia. Upewnij się, że:
- Nie ma zwarć między ścieżkami na płytce drukowanej lub między elementami.
- Wszystkie komponenty są wlutowane poprawnie i we właściwej orientacji.
- Końce uzwojeń są prawidłowo podłączone do układu.
- Radiator jest solidnie zamocowany do tranzystora.
- Złącze zasilania jest gotowe do podłączenia źródła prądu o napięciu 9-24V DC.
Pierwsze uruchomienie i spektakularne efekty: Co potrafi Twoja cewka?
Nadszedł moment prawdy! Zbudowanie własnego urządzenia i zobaczenie go w akcji to niezwykłe uczucie. Pamiętaj jednak o zachowaniu zasad bezpieczeństwa, które omówiliśmy wcześniej.
Test świetlówki: Jak bezpiecznie sprawdzić, czy Twoja płytka Tesli działa?
- Podłącz zasilanie do płytki Tesli (pamiętaj o prawidłowej polaryzacji!).
- Jeśli układ działa poprawnie, dioda LED powinna się zaświecić.
- Weź do ręki lampę fluorescencyjną (świetlówkę) lub neonówkę.
- Zachowując bezpieczną odległość (kilkanaście centymetrów), zbliż lampę do pracującej cewki Tesli.
- Jeśli wszystko działa, lampa powinna zacząć świecić, zasilana bezprzewodowo przez pole elektromagnetyczne generowane przez płytkę.
Obserwacja wyładowań i pola elektromagnetycznego
W zależności od mocy i konstrukcji Twojej płytki Tesli, możesz zaobserwować niewielkie, niebieskawe wyładowania elektryczne w pobliżu górnej części uzwojenia wtórnego. Pamiętaj, że pole elektromagnetyczne jest najsilniejsze w bezpośrednim sąsiedztwie cewki. Dlatego tak ważne jest, aby nie zbliżać do niej urządzeń elektronicznych i unikać dotykania pracującego układu.
Kreatywne eksperymenty dla zaawansowanych: Co jeszcze możesz zrobić?
- Optymalizacja uzwojenia pierwotnego: Eksperymentuj z liczbą zwojów uzwojenia pierwotnego (np. 3, 4, 5 zwojów) i obserwuj, jak wpływa to na efektywność działania cewki.
- Zmiana napięcia zasilania: W bezpiecznych granicach (nie przekraczając zalecanego maksimum dla tranzystora i zasilacza), spróbuj użyć różnych napięć zasilania (np. 12V, 18V, 24V) i zobacz, jak zmieniają się efekty.
- Budowa bardziej złożonych układów: Po opanowaniu podstaw, możesz poszukać schematów bardziej zaawansowanych cewek Tesli, które generują silniejsze wyładowania lub mają większy zasięg.
- Interakcja z innymi obiektami: Sprawdź, jak pole elektromagnetyczne reaguje na różne materiały przewodzące i izolujące.

Najczęstsze problemy i ich rozwiązania: Co zrobić, gdy coś pójdzie nie tak?
Każdy projekt DIY może napotkać na swojej drodze pewne trudności. Nie zniechęcaj się, jeśli Twoja płytka Tesli nie zadziała od razu. Większość problemów da się łatwo zdiagnozować i naprawić.
Dlaczego moja cewka nie działa? Diagnostyka od A do Z
- Sprawdź okablowanie: Upewnij się, że wszystkie połączenia są zgodne ze schematem. Zwróć szczególną uwagę na polaryzację zasilania i podłączenie tranzystora (bramka, kolektor/dren, emiter/źródło).
- Zimne luty: Dokładnie obejrzyj wszystkie punkty lutownicze. Popraw wszelkie podejrzane połączenia.
- Niewłaściwe komponenty: Czy użyłeś odpowiednich wartości rezystorów? Czy tranzystor jest sprawny i prawidłowo podłączony?
- Odwrócona polaryzacja zasilania: Sprawdź, czy nie podłączyłeś zasilania "na odwrót". Może to uszkodzić tranzystor.
- Kierunek nawinięcia zwojów: Czasami odwrócenie kierunku nawinięcia jednego z uzwojeń może być przyczyną problemu.
- Uszkodzony tranzystor: Tranzystor mógł ulec uszkodzeniu podczas montażu lub przez przepięcie.
Tranzystor się przegrzewa jak zdiagnozować i naprawić problem?
Przegrzewający się tranzystor to częsty problem, który zazwyczaj ma kilka przyczyn:
- Niewystarczający radiator: Upewnij się, że używasz radiatora o odpowiedniej wielkości. W razie wątpliwości, zastosuj większy.
- Brak pasty termoprzewodzącej: Jeśli używasz mocnego tranzystora, pasta termoprzewodząca jest niezbędna dla efektywnego chłodzenia.
- Błędy w montażu: Sprawdź, czy tranzystor jest prawidłowo zamocowany do radiatora i czy nie ma zwarć na jego wyprowadzeniach.
- Zbyt wysokie napięcie zasilania: Upewnij się, że napięcie zasilania nie przekracza maksymalnych dopuszczalnych wartości dla Twojego tranzystora.
- Nieoptymalny układ: Czasami drobne zmiany w wartościach rezystorów lub liczbie zwojów mogą pomóc w zmniejszeniu obciążenia tranzystora.
Słabe efekty? Sprawdzone sposoby na zwiększenie mocy i zasięgu
- Optymalizacja stosunku zwojów: Eksperymentuj z liczbą zwojów uzwojenia pierwotnego. Czasami dodanie lub odjęcie jednego zwoju może znacząco poprawić rezonans układu.
- Wyższe napięcie zasilania: Jeśli Twój tranzystor i radiator na to pozwalają, spróbuj nieznacznie zwiększyć napięcie zasilania (w bezpiecznych granicach!).
- Jakość komponentów: Upewnij się, że używasz dobrych jakościowo komponentów, zwłaszcza tranzystora i drutu nawojowego.
- Poprawa rezonansu: Czasami niewielkie zmiany w długości lub konfiguracji uzwojeń mogą pomóc w osiągnięciu lepszego dopasowania rezonansowego.
- Dodatkowe uzwojenie pierwotne: W niektórych konstrukcjach stosuje się dwa oddzielne uzwojenia pierwotne, co może wpłynąć na charakterystykę pracy cewki.
Przeczytaj również: Ile tesla ma do 100 km/h? Zaskakujące różnice w przyspieszeniu
Twoja przygoda z płytką Tesli: Co warto zapamiętać na koniec?
Gratulacje! Dotarłeś do końca tego przewodnika, co oznacza, że masz już solidną wiedzę na temat budowy własnej płytki Tesli, znanej jako Slayer Exciter. Od zrozumienia zasady działania, przez dobór komponentów, aż po samodzielne nawinięcie uzwojeń i pierwsze uruchomienie teraz wiesz, jak krok po kroku stworzyć to fascynujące urządzenie generujące pole elektromagnetyczne.
- Budowa płytki Tesli jest projektem DIY dostępnym nawet dla początkujących, wymagającym podstawowej wiedzy o elektronice i staranności.
- Kluczem do sukcesu jest dokładne nawinięcie uzwojeń i poprawne połączenie elementów elektronicznych zgodnie ze schematem.
- Bezpieczeństwo jest priorytetem pamiętaj o izolacji, chłodzeniu tranzystora i unikaniu kontaktu z pracującym układem.
- Najczęstsze problemy, takie jak brak działania czy przegrzewanie, można zazwyczaj rozwiązać poprzez dokładną diagnostykę i poprawienie połączeń lub dobór komponentów.
Z mojego doświadczenia wynika, że budowa własnych projektów elektronicznych, takich jak płytka Tesli, to nie tylko nauka, ale przede wszystkim ogromna satysfakcja. Nie zniechęcaj się, jeśli pierwsze próby nie przyniosą idealnych rezultatów. Każdy błąd to lekcja, która czyni Cię lepszym konstruktorem. Pamiętaj, że cierpliwość i metodyczne podejście są kluczowe w świecie elektroniki.
A jakie są Twoje doświadczenia z budową cewek Tesli lub podobnych projektów DIY? Czy napotkałeś jakieś ciekawe problemy, które udało Ci się rozwiązać? Podziel się swoimi przemyśleniami w komentarzach poniżej!
